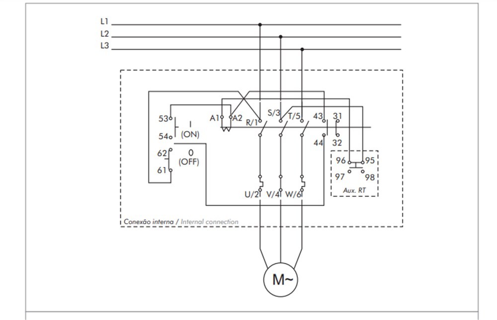
Chave Magnética de partida direta 220V Motor 7,5 CV
Chave de partida montada em caixa termoplastica com capacidade de partida de motores de 7,5 em 220VCA.
Possui faixa de ajuste de corrente de 16 a 22A e grau de proteção IP56.
Permite a montagem de sobrepor ou semi-embutida.
Indicamos o uso em conjunto com prensa cabo CH-PG13.5-12-C.















